Inicio
Marca
Productos
Equipos Neumáticos
Equipos de Proceso
Equipos de control
Blog
Contáctanos
Seleccionar página
Inicio
/
tratamiento de aire serie O
/ FILTRO REGULADOR Línea O
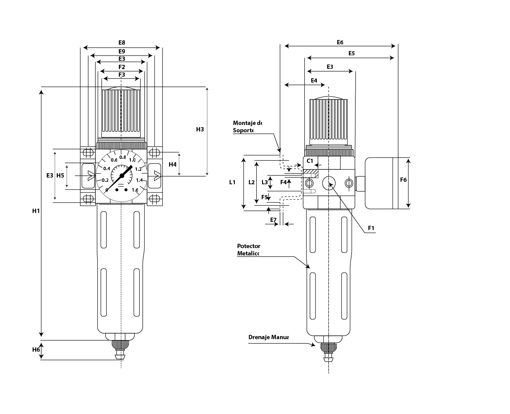
FILTRO REGULADOR Línea O
Categoría:
tratamiento de aire serie O
Descripción
Productos relacionados
LUBRICADOR Línea O
FILTRO DE AIRE Línea O
FILTRO REGULADOR LUBRICADOR (F.R.L) Línea O