Inicio
Marca
Productos
Equipos Neumáticos
Equipos de Proceso
Equipos de control
Blog
Contáctanos
Seleccionar página
Inicio
/
válvulas Selenoides
/ VÁLVULA SOLENOIDE Serie 4v y 4A
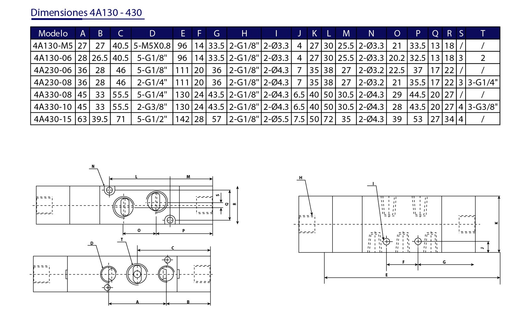
VÁLVULA SOLENOIDE Serie 4v y 4A
Categoría:
válvulas Selenoides
Productos relacionados
GENERADOR DE VACÍO Serie ZH | Tipo Caja | Silenciador Incorporado
VÁLVULA DE CONTROL DE FLUJO Serie RE
VÁLVULA SOLENOIDE Serie 2W